CONT
ANUNT
AJUTOR
AJUTOR
ADAUGA ANUNT
CONTUL MEU
Cauta
Dragos Epureanu
Distribuie pe facebook:
Calificativ:
Foarte Bine
Disponibil chiar acum!
eNevoie.ro
Bucuresti
0722...
vezi numar
Trimite-i un mesaj...
Vezi Portofoliu Lucrari
Program de lucru:
Luni - Vineri:
11:00
19:00
Dragos
activeaza in domeniul:
Reparatii Electronice, Electrocasnice, Ceasuri
si te poate ajuta cu urmatoarele servicii:
•
Reparatii Electronice
;
Descriere:
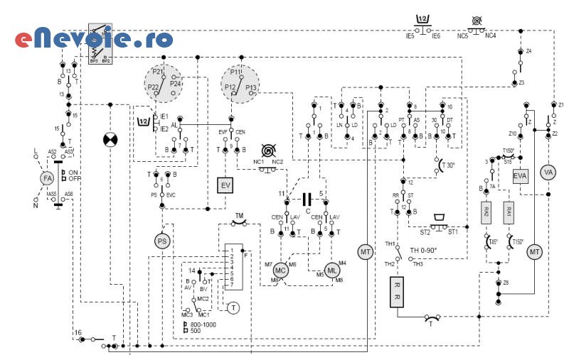
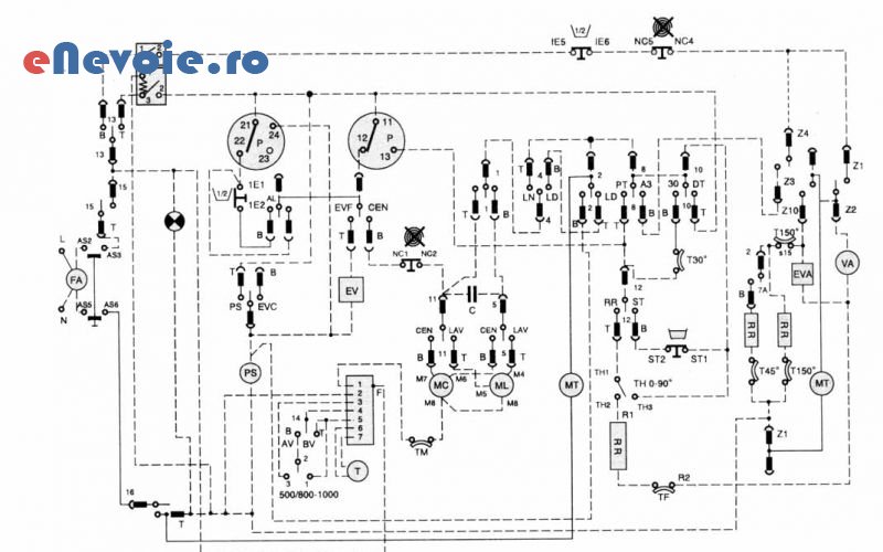
Aparate eletronice, electrotehnice si electrice. Tehnica de birou.Â
Trimite-i un mesaj:
Nume
Nume
Email
Mesaj
Trimite Mesaj
Lasa un comentariu!
Email
Telefon
Name
Acorda calificativ
Excelent
Foarte bine
Bine
Suficient
Insuficient
Trimite
Numar Comentarii: 1
Mi-am reparat televizorul LG la ei. Foarte multumit sunt!
2018-10-09 11:42 | Matei